溫州弘凌泵閥有限公司
客服1:0577-67987292
客服2:0577-67987270
傳真:0577-67987252
手機:13355776372
地址:浙江省永嘉縣甌北鎮浦西工業區

產品簡介:
FZB型氟塑料合金自吸化工泵是按國際標準并結合非金屬泵的工藝設計制造。FZB型氟塑料合金自吸泵泵體采用金屬外殼內襯氟塑料,過流部件全部采用氟塑料合金制造,泵蓋、葉輪等均用金屬嵌件外包氟塑料整體燒結壓制而成,軸封采用外裝式先進的波紋管機械密封,靜環選用99.9%氧化鋁陶瓷(或氮化硅),動環采用四氟填充材料,其耐腐耐磨密封性極好。泵的進出口均采用鑄鋼體加固,以增強了泵的耐壓性。實際使用顯示,FZB型氟塑料合金自吸泵具有耐腐、耐磨、耐高溫、不老化、機械強度高、運轉平穩、結構先進合理、密封性能嚴格可靠、拆卸檢修方便、使用壽命長等優點。
型號意義:
產品特點:
FZB型氟塑料自吸泵突出的特點就是具有自吸功能,可抽送低于泵安裝位置以下的液體,且性能穩定,操作簡單,只需在泵第一次使用前灌液后,第二次及以后使用則無需灌液,直接開機即可,自吸高度可根據介質密度在2至4米內確定,是替代體型笨重的液下泵的佳選擇。
該泵采用目前為先進的外裝式四氟波紋管機械密封,擁有多層保護,延長了機封使用壽命,對于輸送含雜質顆粒介質時,可配用無冷卻水單端面硬對硬(碳化硅對碳化硅)機械密封,所以用戶選型時需考慮到介質中的固體含量。
技術參數:
流量:1.5~60m3/h;
揚程:15~50m;
轉速:2900r/min;
功率:1.5~15KW;
進口直徑:25~80mm;
適用溫度:-20℃~120℃。
產品用途:
FZB型氟塑料自吸泵的過流部件全部采用氟塑料制造,且又具有自吸功能,因此,FZB自吸泵的用途極為廣泛,如:將地下槽中的腐蝕性液體抽送至目標地點,將底端無出口的酸堿槽中的酸堿抽送到目標地點,或用于多個酸槽之間的循環,或用于卸酸等等。FZB型氟塑料自吸泵人性化的設計原理、卓越的工作性能,已成為越來越多的使用單位必不可少的泵設備之一。
結構圖:
|
1 |
前蓋 |
F46/HT200 |
2 |
連接法蘭 |
F46/HT200 |
|
3 |
泵體 |
F46/HT200 |
|
4 |
葉輪 |
氟塑料合金 |
|
5 |
泵蓋 |
氟塑料合金、HT200 |
|
6 |
機械密封 |
四氟乙烯-氧化鋁、碳化硅、硬質合金 |
性能參數:
型號 |
流量 |
揚程 |
口徑 |
電機功率 |
自吸高度 |
轉速 |
|
25FZB-20 |
1.5 |
23 |
25 |
25 |
1.5 |
3 |
2900 |
3.6 |
20 |
||||||
4.5 |
17 |
||||||
40FZB-20 |
5 |
22 |
40 |
40 |
3 |
3 |
2900 |
8 |
20 |
||||||
10 |
17 |
||||||
40FZB-30 |
5 |
33 |
40 |
40 |
3 |
3 |
2900 |
8 |
30 |
||||||
10 |
25 |
||||||
50FZB-20 |
8 |
25 |
50 |
50 |
3 |
3 |
2900 |
12 |
20 |
||||||
15 |
17 |
||||||
50FZB-30 |
8 |
33 |
50 |
50 |
3 |
3 |
2900 |
12 |
30 |
||||||
15 |
25 |
||||||
50FZB-45L |
8 |
48.5 |
50 |
32 |
7.5 |
3 |
2900 |
12 |
45 |
||||||
15 |
40 |
||||||
65FZB-20L |
20 |
23 |
65 |
50 |
4 |
3.5 |
2900 |
25 |
20 |
||||||
30 |
17 |
||||||
65FZB-30L |
20 |
33 |
65 |
50 |
7.5 |
3.5 |
2900 |
25 |
30 |
||||||
30 |
25 |
||||||
65FZB-40L |
20 |
42 |
65 |
50 |
11 |
3.5 |
2900 |
25 |
40 |
||||||
30 |
30 |
||||||
65FZB-45L |
20 |
47 |
65 |
50 |
11 |
3.5 |
2900 |
25 |
45 |
||||||
30 |
40 |
||||||
65FZB-50L |
20 |
52 |
65 |
50 |
15 |
3.5 |
2900 |
25 |
50 |
||||||
30 |
45 |
||||||
80FZB-20L |
30 |
23 |
80 |
65 |
5.5 |
4 |
2900 |
40 |
20 |
||||||
50 |
15 |
||||||
80FZB-30L |
40 |
33 |
80 |
65 |
11 |
4 |
2900 |
50 |
30 |
||||||
60 |
25 |
||||||
80FZB-45L |
40 |
48.5 |
80 |
65 |
15 |
4 |
2900 |
50 |
45 |
||||||
60 |
40 |
||||||
注:FZB型氟塑料自吸泵若規格型號超出此范圍,我廠可根據用戶要求予以調整 |
性能曲線圖:
安裝示意圖:
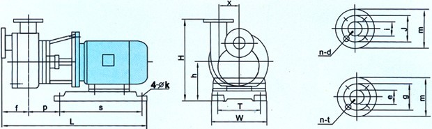
安裝尺寸圖:
系列 |
型 號 |
外型及安裝尺寸 |
進口法蘭尺寸 |
出口法蘭尺寸 |
|||||||||||||||
L |
S |
P |
f |
W |
T |
H |
h |
x |
k |
i |
j |
m |
n-d |
e |
g |
n |
4-t |
||
短支架 |
32FZB-15 |
450 |
100 |
160 |
80 |
180 |
140 |
230 |
90 |
55 |
10 |
32 |
90 |
120 |
4-11 |
32 |
90 |
120 |
4-11 |
40FZB-20 |
590 |
310 |
160 |
110 |
220 |
170 |
305 |
140 |
65 |
12 |
40 |
100 |
130 |
4-13 |
40 |
100 |
130 |
4-13 |
|
40FZB-30 |
590 |
310 |
160 |
110 |
220 |
170 |
305 |
140 |
80 |
12 |
40 |
100 |
130 |
4-13 |
40 |
100 |
130 |
4-13 |
|
50FZB-20 |
590 |
310 |
160 |
110 |
220 |
170 |
305 |
140 |
65 |
12 |
50 |
100 |
130 |
4-13 |
50 |
100 |
130 |
4-13 |
|
50FZB-30 |
590 |
310 |
160 |
110 |
220 |
170 |
305 |
140 |
80 |
12 |
50 |
100 |
130 |
4-13 |
50 |
100 |
130 |
4-13 |
系列 |
型 號 |
外型及安裝尺寸 |
進口法蘭尺寸 |
出口法蘭尺寸 |
|||||||||||||||
L |
S |
P |
f |
W |
T |
H |
h |
x |
k |
i |
j |
m |
n-d |
e |
g |
n |
n-t |
||
長支架 |
65FZB-20L |
1100 |
600 |
250 |
180 |
390 |
350 |
440 |
212 |
80 |
20 |
65 |
145 |
185 |
4-18 |
50 |
125 |
165 |
4-18 |
65FZB-30L |
1200 |
660 |
300 |
200 |
450 |
400 |
480 |
232 |
100 |
24 |
65 |
145 |
185 |
4-18 |
50 |
125 |
165 |
4-48 |
|
80FZB-20L |
1200 |
660 |
300 |
200 |
450 |
400 |
480 |
232 |
100 |
24 |
80 |
160 |
200 |
8-18 |
65 |
145 |
185 |
4-18 |
|
80FZB-30L |
1240 |
740 |
330 |
210 |
500 |
450 |
520 |
260 |
110 |
24 |
80 |
160 |
200 |
8-18 |
65 |
145 |
185 |
4-18 |
使用注意事項:
安裝
1.泵經長途運輸到達使用現場,安裝前須檢查整機零件是否完好無損,緊固件應予緊固,檢查泵軸與電機軸的同心度,如有移位,應予校正。
2.安裝時要盡量減少吸入管路的水力損失,不得裝小于90°的彎頭,進口管路上90°的彎頭不要超過2個,泵進口應設濾網,防止大塊雜質進入泵內,保證泵能正常運轉,安裝時盡可能的減少進口管路長路(這樣會減少進口管路空氣,從而減少自吸時間,增加工作效率)。
3.進水管的連接螺栓一定要均力擰緊,密封一定要嚴密,絕對不能漏氣,盡量使用軟質的法蘭密封墊(如氟橡膠),否則會嚴重影響泵的自吸性能。
操作使用注意事項
1.檢查電機運轉方向與泵的運轉方向標記是否一致,切勿反轉!
2.泵體內須注滿液體才能啟動運轉,嚴禁空運轉。泵在規定的自吸高度范圍內如果7~10分鐘尚不能出液,應立即停機檢查原因(主要檢查進口管是否漏氣,以防泵內工作液升溫,損壞泵機。
3.第一次在泵體內注液后一般不需再注液,但停機時間長或停機后密封有泄漏現象存在,泵內液體損失,在第二次開車前應先檢查泵內存液情況,加滿液后再開車。
4.冬季長期不使用時,應排盡泵體內的液體,以免受冷凍,不能正常工作。